Высокотемпературные оптические трансиверы Cruetech
Оптические трансиверы российской торговой марки Cruetech серии DTABTP9 созданы для применения в приложениях с высокими температурными нагрузками, такими как глубокое бурение и высокое тепловыделение смежных элементов системы. Данные оптические приемопередатчики способны выдерживать до +190 °С.
Основные параметры оптических трансиверов серии DTABTP9:
- 1×10 корпус для монтажа на плату
- скорость передачи данных: DC ~ 2 Мбит/c и 10 M ~ 1,25 Гбит/c
- дальность передачи: до 10 км
- LVTTL интерфейс
- питание: 3,3 В
- способ подключения: FC/LC/SC или pigtail
- температурный рабочий режим: от -20 до +190 °C
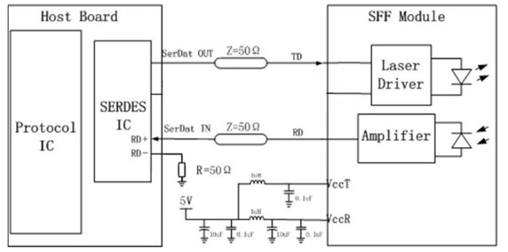
Рекомендуемая схема:

Внешний вид модели представлен на изображении ниже:

Для заказа образцов оптических трансиверов Cruetech и получения технической поддержки заполните форму «Задать вопрос» на сайте или позвоните по телефону 8 (800) 333-06-05 доб. 552.